Астрономический таймер для уличного: Астрономический таймер для уличного освещения РЭВ – 225
Содержание
Астрономический таймер для уличного освещения РЭВ-225
Похоже JavaScript оключен в вашем браузере.
Вам необходимо включить поддержку JavaScript в браузере или воспользоваться другим браузером.
- Избранное
- Сравнить
Поделиться
Артикул: 026.004.113
Страна производитель: Россия
РЭВ-225 является микропроцессорным устройством, предназначенным для работы в системах автоматического управления с привязкой к астрономическому времени (восход / закат солнца). В РЭВ-225 автоматически вычисляется время восхода и заката солнца на основе введенных координат и текущего времени, позволяя управлять освещением без использования внешних датчиков.
2552.00₽
- Описание
- Документация
Предусмотрена настройка программы, позволяющая отключать нагрузку ночью (ночной перерыв).
Встроенный источник питания (литиевая батарея) обеспечивает сохранение работы часов реального времени и изделия в случае отсутствия питания от сети.
Особенности РЭВ-225:
- цифровое реле времени с астрономической программой;
- пломбируемая крышка передней панели;
- настройка с помощью четырех кнопок;
- автоматическое переключение на летнее/зимнее время;
- жидкокристаллический дисплей;
- режим работы для выходных дней;
- один канал;
- двойной модуль, устанавливаемый на DIN-рейку 35 мм.
Технические характеристики
| Номинальное напряжение питания сети,В | 230±10% |
| Частота питающей сети, Гц | 50 –60 |
| Напряжение, при котором сохраняется работоспособность, В | 130-280 |
| Потребляемая мощность (от сети ~230 В), Вт, не более | 1,3 |
| Количество каналов | 1 |
| Режимы работы | Автоматический Ручной Выходные дни |
| Коммутационный ресурс выходных контактов –механический ресурс,раз, не менее –электрический ресурс 16 А 250 В (перемен. 50 Гц), раз, не менее | 1 000 000 100 000 |
| Переход на летнее/зимнее время | есть |
| Допустимое отклонение времени | ≤1 с/день при 20°C |
| Срок службы литиевой батареи | 3 года |
| Количество и вид контактов | 1,переключающий |
| Назначение изделия | аппаратура управления и распределения |
| Номинальный режим работ | продолжительный |
| Степень защиты изделия | IP20 |
| Класс защиты от поражения электрическим током | II |
| Климатическое исполнение | УХЛ 3.1 |
| Допустимая степень загрязнения | III |
| Категория перенапряжения | II |
| Номинальное напряжение изоляции, В | 450 |
| Номинальное импульсное выдерживаемое напряжение, кВ | 2,5 |
| Сечение проводов для подключения к клеммам, мм² | 1 — 4 |
| Момент затяжки винтов клемм, Н*м | 0,5 |
| Установка (монтаж) изделия | стандартная DIN-рейка 35 мм |
Характеристика выходных контактов
| Режим работы | Максимальный ток при U~250 В, А | Максимальная коммутируемая мощность, ВА | Максимальная мощность при U пост=24В, Вт |
|---|---|---|---|
| cosφ= 1 | 16 | 4000 | 384 |
Габаритные размеры астрономического реле РЭВ-225
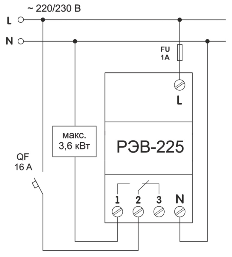
Схема подключения астрономического реле РЭВ-225
Вспомогательные элементы и аксессуары для РЭВ-225
Аналогичные товары или товары на замену РЭВ-225
| jpg»> | Руководство по эксплуатации астрономического реле времени РЭВ-225 |
Астрономический таймер. Конструкция, настройка и применение.
Астрономический таймер, или, как иногда называют данные приборы — астрономическое реле и реле с астрономической программой — позволяет автоматически управлять освещением в зависимости от географического местоположения и астрономического времени, т.е. времени года и реального времени.
В наше время для управления освещением на улице и прилегающей к дому территории чаще всего используются фотодатчики. Фотодатчики включают освещение в зависимости от величины естественной освещенности. Как-то так получилось, что все немного подзабыли наиболее популярное техническое решение относительно недавнего прошлого — включение и выключение освещения с помощью суточного реле времени.
Еще до появления фоторезисторов и других фотоэлементов для автоматизации освещения активно применялись различные автоматические устройства с часовыми механизмами.
Эти устройства включали и отключали освещение в предварительно заданное время суток.
Принцип работы этих реле был основан на вращении программного диска с отверстиями, в которые вкручивались специальные штифты по заданной программе. Диск вращался с помощью часового механизма. Пружина часового механизма заводилась под действием электромагнита. При вращении диска штифты нажимали на микровыключатели и при этом включали и отключали освещение.
Реле времени 2РВМ
У этого способа управления освещением есть свои преимущества и недостатки. Преимущества, в основном, связаны с тем, что на работу осветительной установки не влияют никакие случайные засветки. Реле — это относительно простое устройство и его можно размещать абсолютно в любом месте, в том числе и в помещении. В то время, как фотодатчик должен обязательно находится в месте контроля естественной освещенности.
Главный недостаток использования суточного реле времени заключается в том, что время восходов и закатов солнца постоянно меняется, что требует регулярной подстройки механизма на новые значения времени восхода и заката солнца что очень не удобно.
Если этого не делать, то через определенное время такие реле давали большие погрешности при включении, например включали лампы, тогда когда в этом необходимость полностью отсутствовала из-за достаточно хорошего уровня естественной освещенности.
С бурным развитием электроники и микропроцессорной техники появляются все более умные устройства, которые напоминают старые проверенные технические решения на более качественном уровне.
Современный астрономический таймер
Так как в некоторых случаях ограничить обычный датчик освещенности от случайных засветок неимоверно сложно, то на помощь может прийти устройство, в котором необходимость во внешнем датчике освещенности полностью отсутствует — цифровой астрономический таймер.
По своему принципу действия такое устройство похоже на реле времени с часовым механизмом. Но в отличии от свои предшественников, современные устройства такого типа способны производить автоматический расчет времени восхода и захода солнца и производить переключения в выходных цепях (включая и отключая источники света) только тогда, когда в этом действительно имеется необходимость.
Цифровые астрономические таймеры выпускаются большим количеством производителей и по своим техническим характеристикам они все очень похожи.
Для того, что бы астрономический таймер Rex 2000 правильно мог определять время восхода и захода солнца в память таймера при его первоначальной настройке необходимо ввести дату, время и локальные координаты (долготу и широту) той местности, где он будет эксплуатироваться. При этом астрономический таймер Rex пригоден для использования в любой точке Земли.
Переключение таймера (управление источниками света) происходит без использования светочувствительного элемента. В целях экономии электроэнергии ночью возможно программированное отключение таймера. Время переключения легко определяется по сегментированному дисплею.
Астрономический таймер Rex2000 компании Legrand
Возможна коррекция времени включения и выключения в пределах +/- 60 мин от рассчитанных астрономическим таймером значений времени восхода и захода солнца.
Кроме этого, управляющий вход «S» таймера позволяет включить таймер независимо от текущей программы. Как заявляет фирма-производитель, точность таймера составляет +/- 1 с/сут.
Таймер автоматически совершает переход на «зимнее»/«летнее» время. Имеется пломбируемая крышка. Интерфейс программирования «FACE». Разные модели таймеров могут получать питание от напряжения 230 В или 24 В. Рабочая температура -20…+55 оС. Степень защиты – IP20.
Существует модель астрономического таймера, который может управлять сразу двумя каналами. В таймере имеется 1 или 2 переключающих контакта на 16 А для чисто активной нагрузки или 4 А для индуктивной (при cos фи = 0,6). Если Вам необходимо подключить через таймер более мощные лампы, то в этом случае подключение ламп нужно производить через электромагнитные пускатели. При этом астрономический таймер уже будет управлять не непосредственно линией, а катушкой электромагнитного пускателя.
Схема подключения астрономического таймера Rex2000
У некоторых производителей в астрономический таймер заложена функция автоматического определения времени восходов и закатов солнца по введенному названию города и текущей дате.
Кроме этого в таймере может быть встроенный счетчик отработанного таймером времени и количества включения нагрузки, возможность ввода пароля для того, чтобы исключить чужое вмешательство в работу устройства.
Большинство автоматических таймеров выпускаются для монтажа на DIN-рейку (стандартную металлическую рейку шириной 35 мм) и имеют простую схему подключения.
Астрономический таймер сохраняя все достоинства устройства с часовым механизмом (главное преимущество заключается в том, что отсутствует необходимость в монтаже датчика освещенности) управляет источниками света в зависимости от естественной освещенности (правда определенной расчетным путем).
Смотрите также по теме:
Схема подключения датчика движения для освещения.
Как смонтировать и подключить уличный прожектор с датчиками движения.
Фотореле для уличного освещения: виды, применение, схема подключения.
Будем рады, если подпишетесь на наш Блог!
[wysija_form id=»1″]
TOPGREENER Астрономический программируемый таймер | $36,99
”
TGT01-H Астрономический 7-дневный программируемый таймер: TGT01-H-W
Астрономический программируемый таймер TGT01-H позволяет вам по-настоящему установить свой график и забыть о нем, когда дело доходит до управления освещением.
Этот переключатель таймера сочетает в себе астрономические функции и функции автоматического перехода на летнее время, чтобы дать вам этот усовершенствованный программируемый переключатель на 7 дней, чтобы вы могли полностью автоматизировать свое освещение!
Таймер работает в однополюсном или трехпозиционном исполнении. Идеально подходит для любого места, где вам нужно синхронизированное освещение или управление вентилятором, например, для гостиной, веранды или наружного освещения.
Для правильной работы этого переключателя требуется нейтральный провод.
Автоматический астрономический таймер от заката до рассвета
Астрономическая функция автоматически настраивает таймер от заката до рассвета, поэтому освещение будет включаться и выключаться в соответствии с астрономическими часами. Летом, когда дневного света больше, таймер будет включать свет позже вечером и выключать раньше утром. И наоборот, таймер будет включать свет раньше вечером и выключать позже утром зимой, когда световой день короче.
Просто выберите время и зону, а TGT01-H сделает все остальное!
Больше не нужно искать ключи в темноте, пытаясь открыть дверь. Никогда не беспокойтесь о том, чтобы случайно оставить свет включенным на весь день или ночь, и убедитесь, что он включается только в то время, которое вы установили с помощью этого цифрового переключателя таймера.
Функция перехода на летнее время
Функция автоматического перехода на летнее время автоматически настраивает часы на изменение времени в течение года, поэтому ваш таймер будет продолжать работать в соответствии с расписанием.
Случайный режим
Таймер также имеет случайный режим, который изменяет запланированное время примерно на несколько минут (до 30 минут до или после), чтобы отпугнуть злоумышленников и воров.
Блокировка таймера и таймер обратного отсчета
В дополнение к программируемым настройкам таймера, TGT01-H также имеет ручное включение/выключение и опцию блокировки таймера.
Отмените запрограммированное расписание, чтобы свет оставался включенным или выключенным, или даже установите таймер обратного отсчета для ваших огней!
Прочие характеристики
Яркий ЖК-экран с подсветкой упрощает проверку и настройку программ для глаз. Таймер создает резервные копии текущих программ и сохраненных настроек, поэтому вам не придется перепрограммировать их в случае отключения электроэнергии.
Преимущества и области применения
Цифровые астрономические таймеры TOPGREENER имеют множество потенциальных применений в домашних условиях. Этот продукт идеально подходит для автоматического включения света в темное время суток и выключения в дневное время, рандомизации световой активности, чтобы ваш дом казался занятым, когда вас нет рядом, программирования кондиционеров, увлажнителей, вентиляторов и других приборов (убедитесь, что приборы ниже спецификации нагрузки переключателя) и работающие жалюзи с электроприводом для защиты ковров и мебели от выцветания в солнечную погоду (убедитесь, что электроприборы не соответствуют характеристикам нагрузки переключателя).
Кнопка ручного управления позволяет ему работать и как стандартный переключатель включения/выключения, предоставляя вам лучшее из обоих миров.
Пара со стандартной или безвинтовой настенной пластиной.
Технические характеристики
| Тип таймера | Цифровой программируемый |
| Номинальная мощность | Напряжение: 120 В переменного тока, 60 Гц |
| Настройки | 7 настроек включения/выключения в день, автоматическая регулировка времени заката и рассвета (после программирования) |
| Двигатель | 1/2 л.с. |
| Особенности | ЖК-дисплей с подсветкой, встроенный аккумулятор |
| Электропроводка | Однополюсный, требуется нейтральный провод |
| Совместимость | Лампы накаливания 1200 Вт, люминесцентные лампы 1200 ВА, светодиоды 150 Вт |
| Сертификаты и соответствие | Соответствует требованиям закона штата Калифорния 24, UL Listed |
“
Лучший контроллер/таймер для вашей системы наружного ландшафтного освещения
Благодаря различным системам управления умным домом автоматизация наружного освещения становится такой же простой, как подключение трансформатора к стене и информирование вашего умного дома, через приложение, когда вы хотите, чтобы свет включался и выключался.
Хотя эта футуристическая технология действительно впечатляет, у большинства из нас нет умной домашней автоматизации. Но это не значит, что мы должны жить в каменном веке!
При наличии множества различных систем управления трансформаторами обязательно найдется система управления, соответствующая вашим конкретным потребностям и бюджету.
Как лучше всего управлять вашей системой наружного освещения? Ну, это действительно зависит от ваших потребностей и того, что вы хотите, чтобы ваш контроллер делал для вас.
Трансформаторы бывают двух типов: со встроенным управлением, которое нельзя отключить, и с внутренним пространством для подключения по принципу «подключи и работай». Мы собираемся взглянуть на некоторые из элементов управления, которые используются в трансформерах, которые могут быть заменены и оборудованы по-разному.
В этом блоге мы рассмотрим несколько различных систем управления. Некоторые системы управления довольно просты, другие могут быть немного более сложными.
Рассматривая некоторые из этих систем управления, мы постараемся выделить некоторые плюсы и минусы каждой из них.
1. Аналоговый таймер
Аналоговый таймер — это просто механический таймер. Вы знаете, старые школьные таймеры включали и выключали лампы ночью в вашем доме, чтобы создать впечатление, что кто-то там есть. Эти таймеры довольно просты. Механические шестерни внутри таймера вращаются, чтобы повернуть внешний циферблат таймера. Вкладки по периметру часов могут быть установлены на назначенное время включения и выключения.
Хотя эти таймеры относительно легко установить, у них есть несколько недостатков. Например, если отключится электричество, ваш таймер будет смещен, сколько бы часов не было электричества. Это означает, что если у вас не было электричества в течение двух часов, то таймер будет отключен ровно на то же время, прежде чем он включится. Вам нужно будет сбросить его. Эти таймеры также необходимо настроить для перехода на летнее время. Их также, возможно, потребуется скорректировать с учетом времени захода солнца в течение года.
ПЛЮСЫ:
1. Это доступно по цене
2. Легко настраивается.
МИНУСЫ:
1. Этот таймер необходимо сбрасывать при отключении электроэнергии.
2. Со временем могут возникнуть механические неисправности.
3. Не настраивается на закат
4. Не настраивается на летнее время.
2. Цифровой таймер
Цифровой таймер — это большой шаг вперед по сравнению с аналоговым таймером. Хотя их может быть немного сложнее программировать, инструкции обычно довольно просты. С большинством цифровых таймеров вы можете установить несколько программ включения/выключения для разных дней недели. Например, вы можете настроить свет на включение в 18:00. и выключать в полночь. Затем вы можете установить другую программу, чтобы они снова включались в 6:00 утра. и выключите в 8:00 утра. для вашего раннего утреннего освещения. Кроме того, вы также можете настроить время отключения программы для рабочих дней в другое время, чем для программы для выходных.
С цифровым таймером у вас гораздо больше контроля над тем, когда свет включается и выключается.
Еще одна приятная особенность цифровых таймеров – встроенная память. Хороший цифровой таймер будет иметь внутреннюю батарею на случай отключения электроэнергии. Если электричество отключится, ваш таймер сохранит свои настройки и продолжит работу после восстановления питания.
Батарейки таймеров необходимо заменять каждые два года или около того по мере их износа. В зависимости от модели этот таймер также может потребоваться или не потребоваться вручную для перехода на летнее время. Этот таймер ограничен назначенным временем включения/выключения и не может настраиваться на закат.
ПЛЮСЫ:
1. Доступность по цене
2. Возможность установки различных программ включения/выключения.
3. Встроенный аккумулятор с внутренней памятью на случай отключения электроэнергии.
4. Может автоматически переключаться на летнее время.
МИНУСЫ:
1.
Батареи необходимо заменять каждые пару лет.
2. Некоторые модели не настраиваются на летнее время
3. Не настраиваются на закат.
3. Фотоэлемент
Фотоэлемент — это датчик освещенности. Он чувствует солнечный свет, чтобы определить, когда свет должен включаться и выключаться. Хотя фотоэлементы бывают разных форм и размеров, они работают одинаково: они чувствуют, когда на улице темнеет, и включают вашу систему, когда становится достаточно темно.
Фотоэлемент – отличный способ обеспечить включение света на закате.
Однако недостатком фотоэлемента является то, что он не отключится, пока снова не почувствует свет на восходе солнца. Другой проблемой может быть расположение трансформатора. Фотоэлемент крепится снаружи трансформатора. Если трансформатор находится в затененном месте, в гараже или в другом месте с ограниченным освещением, фотоэлемент не будет знать, когда его отключить. Есть способы обойти это, но они часто требуют создания чего-то индивидуального.
ПЛЮСЫ:
1. Доступность по цене
2. Гарантирует, что ваши огни адаптируются к закату и восходу солнца в течение года.
3. Отлично, если вы хотите, чтобы свет всегда включался между рассветом и закатом.
4. Очень надежный.
МИНУСЫ:
1. Неэффективно использовать на трансформаторах, расположенных в темных или сильно затененных местах.
2. Не выключается в назначенное время.
4. Комбинация управления
Фотоэлемент отлично подходит для обеспечения того, чтобы ваши огни настраивались на закат в течение всего года и включались в темное время суток. Самая большая проблема с ними заключается в том, что они не отключаются в определенное или назначенное время. Аналоговые и цифровые таймеры позволяют управлять включением и выключением света.
Один из способов получить лучшее из обоих миров (регулировки и контроля) — объединить их. Использование фотоэлемента в сочетании с таймером позволит вам включать свет на закате и выключать, когда вы этого захотите.
Допустим, вы использовали цифровой таймер с фотоэлементом. Учитывая, как рано садится солнце зимой, вы устанавливаете таймер на 17:00. и выключается в полночь. Фотоэлемент будет включаться всякий раз, когда садится солнце, и выключаться, когда вы захотите.
Используя фотоэлемент с таймером, вы даете себе больше контроля над работой системы. Фотоэлемент включает свет, таймер выключает.
ПЛЮСЫ:
1. Доступность по цене
2. Свет будет включаться на закате и выключаться в любое указанное вами время.
3. Вы можете быть уверены, что ваша система освещения будет работать более плавно.
МИНУСЫ:
1. Независимо от того, выберете ли вы астрономический или цифровой таймер, их все равно нужно будет сбросить для перехода на летнее время.
2. Не будет эффективен, если трансформатор расположен в темном или сильно затененном месте, или если он расположен в хорошо освещенном месте.
5. Астрономический таймер
Астрономический таймер представляет собой гораздо более сложную систему управления, чем ранее упомянутая система управления.
Хотя программирование может показаться несколько более сложным, астрономические таймеры чрезвычайно эффективны.
Программирование может быть таким же простым, как ввод приблизительных GPS-координат вашего местоположения или почтового индекса. Используя эту информацию, астрономический таймер будет точно знать, во сколько восход и закат солнца, независимо от времени года!
В отличие от таймеров с фотоэлементами, астрономическим таймерам не нужно воспринимать свет снаружи, чтобы определить время захода солнца. С астрономическим таймером местоположение вашего трансформатора становится неважным.
Как и цифровой таймер, астрономический может быть установлен на разное время включения/выключения в разные дни. Вы можете отключить свет в полночь в будние дни и в 2 часа ночи. по выходным. Астрономический таймер также имеет память со встроенной батареей.
В отличие от цифрового таймера, астрономический таймер можно настроить на переход на летнее время, он чрезвычайно точен и не требует настройки после первоначальной настройки.
ПЛЮСЫ:
1. Доступность по цене
2. Он может автоматически регулировать закат и переход на летнее время без многих недостатков, присущих цифровым таймерам и фотоэлементам.
3. Резервное копирование памяти на случай отключения электроэнергии.
МИНУСЫ:
1. Астрономические таймеры обычно немного более надежны, чем другие устройства управления. Некоторые трансформаторы могут не соответствовать объему пространства, необходимого для размещения внутри трансформатора. Если вы планируете свою систему заранее, это не проблема. Однако, если вы модернизируете свою старую систему, хорошо перепроверить и убедиться, что астрономический таймер подойдет к вашему трансформатору.
2. Программирование может быть немного сложнее, чем другие устройства управления.
3. Резервные батареи необходимо заменять каждые 2 года.
6. Интеллектуальное управление через Wi-Fi/Bluetooth
Существует множество различных продуктов, позволяющих оснастить вашу систему освещения интеллектуальным устройством с управлением.
Существует несколько различных продуктов, которые предлагают множество различных функций. Вместо того, чтобы вдаваться в подробности каждой из них, мы кратко рассмотрим некоторые полезные функции этого типа системы управления.
1. Вкл. / Выкл. Можно установить
2. Вы можете вручную включать и выключать свет с помощью телефона.
3. С некоторыми системами это можно сделать даже вдали от дома.
4. Некоторые системы позволяют приглушать освещение и управлять различными зонами.
5. Усовершенствованные системы дают вам возможность контролировать цвет освещения.
ПЛЮСЫ:
1. Если вы хотите иметь полный контроль над многочисленными аспектами вашей системы освещения, вам подойдет интеллектуальное управление.
МИНУСЫ:
1. Это не так доступно, как некоторые другие таймеры, о которых мы упоминали ранее.
2. Эти системы просто невероятны с точки зрения возможностей управления, которые они обеспечивают, но имейте в виду, что они часто имеют невероятную цену.
50 Гц), раз, не менее